Электронное реле включения вентилятора системы охлаждения с возможностью регулировки момента срабатывания
Задача была создать дешево, надежно, быстро, без редких элементов. Подошел коммутатор от бесконтактной системы зажигания автомобиля ГАЗ. В любом таксопарке, автохозяйстве, автосервисе или гаражах найдется сгоревший коммутатор. Только подойдет коммутатор 130..., а не новой конструкции 131...
Определяем неисправность по схеме (нажмите на картинку, чтобы увеличить):

Рис. 1 Схема коммутатора (нумерация элементов отличается от заводской)
В 95% случаев в коммутаторе сгорает выходной транзистор КТ848.
Заменяется на такой же или любой NPN средней мощности (КТ815, КТ817, КТ819, КТ808 и тд.) с любой буквой. Транзистор при сборке устанавливается на штатный радиатор коммутатора. Теперь главное переделать схему с максимальным использованием элементов уже установленных в коммутаторе.

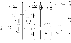
Рис. 2 Схема электронного термореле (нумерация совпадает с Рис.1)
Прицип работы прост: при увеличении температуры уровень сигнала на датчике уменьшается и когда потенциал на движке R** станет меньше напряжения стабилизации стабилитрона V** закроется транзистор V4 и откроются транзисторы V5 V6, включится реле и своими контактами включит двигатель вентилятора. Частое переключение реле исключается за счет гистерезиса реле - ток отпускания меньше тока срабатывания. При малом гистерезисе реле в схему добавлено сопротивление R3, чем меньше номинал сопротивления тем больше разница температур включения-отключения, но меньше 50 кОм ставить не рекомендуется из-за возможности возбуждения. R** - подстроечное сопротивление, лучше многооборотное. (номинал 2 - 10кОм). Закрепить на плате, В копусе сделать отверстие для доступа к регулировке сопротивления. V** - любой стабилитрон на 3,5 - 5,1 вольта (не более 6.5 V) желательно с малой зависимостью от температуры. R3 - определяет гистерезис переключения ( номинал 50кОм - 1МОм), но можно обойтись и без него, гистерезиса исполнительного реле должно хватить.

Рис. 3 Схема подключения
Диод и соединение на датчик перегрева нужен в случае отказа чего-то, то при перегреве двигателя срабатывает датчик перегрева (на радиаторе) и включится вентилятор.
Налаживание устройства производится на автомобиле - прогреть двигатель до рабочей температуры и сопротивлением выставить уровень срабатывания реле. Данная схема безотказно эксплуатировалась несколько лет. При монтаже надо учитывать, что устройство будет эксплуатироваться в условиях повышенной температуры и вибрации. У данной схемы существуют недостатки:
- температурная зависимость параметрами стабилитрона, транзисторов, что приводит к изменению точки переключения ± 3 градуса.
- при переключении исполнительного реле возникают довольно сильные помехи (слышно в магнитоле).